一、日本扶桑精机FUSOSEIKI自动喷头ST-6R产品介绍:
1.可用于所有用途、标准小型
2.重量轻、结构紧凑、使用简单。
3.可从丰富的产品中选择最佳机种。
4.可满足各行业的要求,是露明纳的代表产品。
5.ST-5R的活塞空气分离型。

二、日本扶桑精机FUSOSEIKI自动喷头ST-6R产品用途:
日本露明纳自动喷枪用途广泛,适用各行业自动化生产。
1.喷涂厂——喷油漆 2.波峰焊自动生产线——喷助焊剂 3.吸塑厂——喷水 4.印丝、移印厂——喷丝印、移印油 5.轴承厂——喷润滑油 6.制药厂——喷药水、消毒水 7.印刷厂——喷油墨、胶水 8.玻璃厂——喷油漆、腐蚀液 9.食品厂——喷食用油 10.冲压成型——喷离型剂、工作油日本露明纳自动喷枪适用喷油、油漆、油墨、水、胶水、润滑油、松香等等各类水溶性产品
三、日本扶桑精机FUSOSEIKI自动喷头ST-6R产品相关规格:
|
|
标准型(空气兼用) |
低压型(雾化空气分离式) |
|
BS(黄铜制) |
ST-5 |
ST-6 |
|
接液部不锈钢制 |
STA-5 |
STA-6 |
|
接液部、盖不锈钢 |
SPA-5N |
STA-6N |
|
全不锈钢 |
STS-5 |
STS-6 |
|
|
标准型(空气兼用) |
低压性(雾化空气分离式) |
|
BS(黄铜制) |
ST-5R |
ST-6R |
|
接液部、盖不锈钢 |
STA-1 |
STA-6R |
|
全不锈钢 |
STS-1 |
STS-6R |
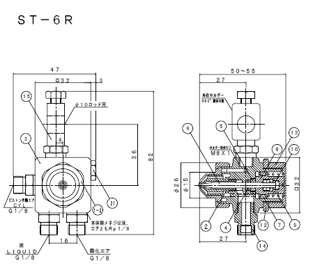
四、日本扶桑精机FUSOSEIKI自动喷头ST-6R产品尺寸图:

因为汇率经常变动,以上产品价格只做参考!不做下单依据!请见谅!谢谢合作!

运营商:深圳市杉本贸易有限公司
服务承诺:本产品全国联保,享受三包服务,质保期为:一年质保。如因质量问题或故障,
凭厂商维修中心或特约维修点的质量检测证明,享受7日内退货,15日内换货,
15日以上在质保期内享受免费保修等三包服务!
产品咨询电话:86-755-83501888 400-885-3088(全国免费)
售后服务电话:86-755-33072999 (0)13728614294(24小时服务)
官方网址:http://www.sugimoto.cn
电子邮件:info@esugimoto.com
服务理念:您的每一次关注,都会改变我们的成长!您的每一次支持,都会改变我们的未来!